Nissan Ariya: ProPILOT Park
Présentation générale Nissan Ariya 2026
Informations de base
Le système ProPILOT Park du Nissan Ariya est une aide au stationnement
avancée capable de détecter automatiquement une place disponible et d’effectuer
les manœuvres nécessaires pour un stationnement en marche arrière, qu’il soit
parallèle ou perpendiculaire. Une fois activé, le système prend en charge
l’accélération, le freinage, la direction et le passage des vitesses afin de
réaliser l’ensemble des opérations de stationnement en toute autonomie.
Pour déterminer si votre véhicule est
équipé : Le ProPILOT Park aura un bouton
près du levier de vitesses semblable à
l'image ci-dessous :

AVERTISSEMENT
Le non-respect des instructions et
avertissements relatifs à l'utilisation
correcte du système ProPILOT Park
peut entraîner des blessures graves
ou mortelles.
- Les systèmes ProPILOT Park ne
sont pas des systèmes de
conduite autonome et ne sont
capables que dans les limites
décrites dans ce manuel.
- Les systèmes ProPILOT Park ne
remplacent pas les bonnes
méthodes de conduite. Il s'agit
d'un système d'aide au conducteur
qui n'est pas destiné à
remplacer le conducteur. Le
conducteur est toujours responsable
de sa conduite.
- Le système ProPILOT Park est
conçu pour ne fonctionner que
dans certaines conditions. Par
conséquent, le système peut ne
pas toujours fonctionner comme
prévu. Il incombe au conducteur
de surveiller activement le fonctionnement
du système et
d'intervenir si nécessaire.
Comment cela fonctionne
ProPILOT Park utilise certains ou tous les
éléments suivants :

- Caméras de l'écran de visualisation du
périmètre intelligent (avant, arrière et
côté) :
Utilisé pour détecter une place de
stationnement
- Capteurs de sonar (avant, latéraux et
arrière) :
Utilisé pour détecter une place de
stationnement et les objets environnants
REMARQUE:
Il est important de s'assurer que les
caméras et les capteurs de sonar sont
propres avant chaque trajet. Des caméras
et des capteurs sales ou endommagés,
ainsi que les conditions
environnementales, peuvent affecter
les performances du système.
AVERTISSEMENT
Le système des capteurs de sonar a
certaines limitations.
L'écran de visualisation du périmètre
intelligent présente quelques limites.
AVERTISSEMENT
LIMITATIONS :
Les performances du système ProPILOT Park du Nissan Ariya peuvent être
affectées par divers facteurs, ce qui peut entraîner un fonctionnement inattendu
ou inefficace. Il est important de ne pas utiliser ce système dans certaines
conditions particulières où son bon fonctionnement ne peut être garanti, comme
dans des environnements restreints, non balisés ou mal éclairés.
Cela inclut (mais sans s'y limiter) :
- Mauvaise visibilité en raison de
forte pluie, neige, glace, brouillard,
etc.
- Lumière vive (due à la circulation
en sens inverse, rayons du soleil
directs, etc)
- Obstruction des capteurs et
caméras causée par la boue, la
saleté, la glace, la neige, etc.
- Lors de l'utilisation d'un accouplement
de remorque (si le véhicule
en est équipé)
ProPILOT Park peut ne pas réagir à :
- Véhicules garés
- Des piétons, bicyclettes ou
animaux
- Débris sur la route
- Pylône routier dans une zone de
construction

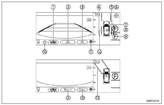
- Icône de sélection de la méthode de
stationnement :
Indique la méthode de stationnement
actuellement sélectionnée. Appuyez
pour changer la méthode de stationnement.
- [Démar]/[Reprendre] :
Appuyez sur cette touche pour lancer
le contrôle ProPILOT Park.
- [Fin]/[Annul] :
Appuyez sur cette touche pour désactiver
la fonction ProPILOT Park.
- Icône de détection des places de
stationnement :
Indique quel côté de la place de
stationnement est détecté pendant la
recherche de place de stationnement.
: Une place de stationnement
est
détectée du côté droit.
: Une place de stationnement
est
détectée du côté gauche.
- Lignes de guidage d'espacement
(Rouge) :
Indique la zone approximative dans
laquelle le véhicule doit passer lorsque
le contrôle de stationnement est actif.
- Icône de réglage du cadre de
guidage de stationnement (
) :
Appuyez sur cette touche pour régler
l'emplacement du cadre de guidage
de stationnement.
- Cadre de guidage de stationnement
(Vert) :
Indique la position approximative du
véhicule une fois stationné. Le cadre
devient bleu lorsque le contrôle de
stationnement est actif.
- Symbole P (Bleu) :
Indique la position du véhicule une fois
stationné.
- Symbole P (Incolore) :
Le système ProPILOT Park du Nissan Ariya affiche les emplacements
de stationnement disponibles autour du véhicule. Lorsqu’un emplacement
différent de celui initialement sélectionné est indiqué, il peut être choisi
en touchant son icône à l’écran. Une fois sélectionnée, l’icône devient
bleue pour confirmer la prise en compte.
- Icône de réglages (
) :
Touchez cette icône pour modifier les
paramètres ProPILOT Park.
- Icône de commande de stationnement
ProPILOT (
) :
L'état de la commande de ProPILOT
Park est indiqué grâce à un système de
couleurs.
Vert : Le contrôle de stationnement est
actif.
Gris : Le contrôle de stationnement
n'est pas actif.
- Lignes de guidage de la zone de
recherche de place de stationnement
(Bleu clair) :
Indique que le système est actuellement
à la recherche d'une place de
stationnement. Les lignes sont également
utilisées comme guides pour le
positionnement des véhicules
pendant la recherche spatiale.
Reportez-vous à "Exigences en
matière de détection des places de
stationnement".
- Rectangle de position de changement
de direction (Vert) :
Indique la position à laquelle effectuer
le changement de rapport suivant.
REMARQUE:
Lorsque les essuie-glaces fonctionnent
ou que de l'eau ou d'autres substances
sont détectées sur l'objectif de la
caméra, le signe
s'affiche.
Lorsque
le signe
est affiché, les places
de
stationnement pouvant être détectées
sont restreintes.
Fonctionnement du système ProPILOT Park Nissan Ariya 1st generation
1. Appuyez sur la commande ProPILOT
Park 1.
- L'affichage ProPILOT Park s'affiche
sur l'écran du système de navigation.
- Le système ProPILOT Park peut
également être activé en appuyant
sur [CAMÉRA] sur le système de navigation
puis sur
sur l'écran de
visualisation du périmètre intelligent.
REMARQUE:
Pour que le système ProPILOT Park du Nissan Ariya s’active et commence à
rechercher une place de stationnement, la vitesse du véhicule doit être
inférieure à 30 km/h (19 mi/h). Au-delà de cette vitesse, la détection
automatique des emplacements n’est pas disponible.
2. Sélectionnez la méthode de stationnement
souhaitée à l'aide du commutateur
sur l'écran :

3. Conduisez lentement en marche
avant lorsque le système recherche
une place :
- Lorsqu'une place de stationnement
est détectée, le système émet un
avertisseur sonore (en cas de détection
du sonar) et l'indicateur
s'affiche.
- Arrêtez le véhicule à proximité de la
place disponible.
- Reportez-vous à la page "Exigences
en matière de détection des places
de stationnement" pour les
exigences de détection détaillées.
4. Ajustez la place, si nécessaire
- Utilisez les flèches 1 pour ajuster la
position de stationnement cible
comme vous le souhaitez.
5. Maintenez la pédale de frein enfoncée
et appuyez sur [Départ] sur l'écran.
- L'icône de ProPILOT Park devient
verte et les freins sont appliqués
automatiquement pour maintenir le
véhicule à l'arrêt.
- Le contrôle du stationnement ne
peut pas être lancé si le système
détecte un obstacle avec les
capteurs sonar ou les caméras.
6. Relâchez la pédale de frein et surveillez
les environs :
- Le véhicule se déplace dans la direction
prévue indiquée par le rectangle
vert.
- Le véhicule contrôle l'accélérateur,
le frein, le volant et le changement
de vitesse selon les besoins pour
effectuer la manoeuvre de stationnement.
- La commande de stationnement
peut être interrompue si un obstacle
ou un objet est détecté dans la
trajectoire prévue.
- Pour les conditions de désactivation
ou d'annulation supplémentaires,
reportez-vous à "Pause/désactivation
du système".
REMARQUE:
Les alertes du système sonar sont
actives pendant la manoeuvre de
stationnement.
7. Stationnement terminé
- Lorsque le véhicule se trouve dans la
place de stationnement prévue, indiquée
par le rectangle bleu, la
manoeuvre de stationnement est
terminée.
- La position de changement de
vitesse passe à P (stationnement) et
le frein de stationnement électronique
est appliqué.
- Un son et un affichage informent le
conducteur de la fin de la
commande de stationnement.
AVERTISSEMENT
- Il incombe aux conducteurs de
toujours se garer de manière
légale et de respecter toutes les
réglementations locales et nationales.
- Avant de sortir du véhicule, vérifiez
que le frein de stationnement
électronique est activé et que la
position de changement de
vitesse est sur P (stationnement).
Exigences en matière de détection des places de stationnement Nissan Ariya first Gen
Informations de base
Le système peut ne pas être en mesure
de détecter une place de stationnement
si :
- La distance entre le véhicule et la position
de stationnement est trop importante.
- La place de stationnement souhaitée
est trop grande, trop petite ou trop
étroite.
- Les marques des places de stationnement
sont décolorées, recouvertes ou
bloquées.
- L'environnement est trop sombre
- Le trottoir se trouve le long d'une
route incurvée
- Le véhicule se trouve sur une pente
élevée
- La pluie ou une autre substance
bloque les caméras ou les capteurs du
sonar.
La précision du stationnement avec le système ProPILOT Park du Nissan Ariya
peut varier selon la position, l’angle et la forme des objets environnants. Elle
dépend également des caractéristiques spécifiques de la place de stationnement
détectée, ce qui peut influencer l’alignement final du véhicule.
Stationnement en créneau
Les conditions suivantes doivent être réunies
pour que le système détecte une
place de stationnement en créneau disponible
:
- Le véhicule doit se trouver aux
distances suivantes par rapport à la
place de stationnement souhaitée.

A Environ 1 m (3 pi)
- Si la place souhaitée se trouve à l'intérieur
de lignes de stationnement
peintes, le système tente de positionner
le véhicule à l'intérieur de ces
lignes. En l'absence de lignes peintes,
le système utilise les véhicules environnants
pour positionner le véhicule
dans la place.
Stationnement perpendiculaire (en
marche arrière)
Les conditions suivantes doivent être réunies
pour que le système détecte une
place de stationnement perpendiculaire
disponible :
- Le véhicule doit se trouver aux
distances suivantes par rapport à la
place de stationnement souhaitée.

- Environ 2,3 m (8 pi)
- Environ 2 m (6 pi)
- Environ 1 m (3 pi)
- L'espace souhaité doit avoir des lignes
de stationnement peintes. Le système
tentera de centrer le véhicule dans la
place, côte à côte. Le système tentera
d'aligner le pare-chocs avant avec
l'extrémité des lignes de stationnement
peintes
Pause/désactivation du système
Pour mettre le système en pause :
- Enfoncez la pédale de frein. Le
système reprend lorsque la pédale de
frein est relâchée.
Pour désactiver le système :
- Passage des rapports
- Intervenez sur le volant
- Appuyez sur la pédale d'accélérateur
Dans certaines conditions, le système ProPILOT Park du Nissan Ariya peut
rencontrer des difficultés à détecter une place de stationnement, se mettre
automatiquement en pause ou se désactiver complètement. Lorsque le système se
met en pause, les freins sont appliqués et le véhicule s’arrête. Pour reprendre
la manœuvre, il suffit d’appuyer sur la pédale de frein et de toucher
[Reprendre] à l’écran après s’être assuré que les conditions ont été corrigées.
Si le système se désactive, il est recommandé de stationner manuellement ou de
repositionner le véhicule dans un environnement plus adapté à l’assistance
automatique.
- Un obstacle a été détecté dans le sens
du déplacement.
- Le système a déterminé que le déplacement
vers la position de stationnement
n'était pas possible.
- La ceinture de sécurité du conducteur
n'était pas bouclée.
- Le frein de stationnement électronique
a été activé.
- Une porte ou le hayon était ouvert.
- 3 minutes ou plus se sont écoulées
après l'activation du système
ProPILOT Park.
- 1 minute s'est écoulée après la pause
du système ProPILOT Park.
- Le véhicule a été conduit sur 500 m ou
plus après l'activation du système
ProPILOT Park.
- La vitesse du véhicule a dépassé
environ 30 km/ (19 mi/h) pendant la
détection ou 8 km/h (5 mi/h) pendant
la manoeuvre de stationnement.
- Les rétroviseurs extérieurs ont été
rabattus.
- L'écran a été changé en touchant le
bouton [Carte] ou [Caméra].
- Le bouton ProPILOT Park a été
enfoncé.
- Le système VDC a été désactivé.
- Le système VDC/TCS/ABS a été activé.
- Un dysfonctionnement du système a
été détecté.
Réglages de ProPILOT Park Nissan Ariya 2023
Pour utiliser le dernier type de stationnement
sélectionné :
→ Réglages station → Utilise
dernier
type station sélec → ON/OFF
- Lorsque cet élément est activé, la
méthode de stationnement utilisée en
dernier est sélectionnée. Lorsque
l'élément est désactivé, le stationnement
en créneau est sélectionné.
Pour détecter des places de stationnement
parallèles des deux côtés :
→ Réglages station → Détecte
espace parallèle deux côtés → ON/OFF
- Lorsque cet élément est activé, les
places de stationnement situées des
deux côtés du véhicule sont détectées.
Lorsque l'élément est désactivé,
seules les positions de stationnement
du côté où le ProPILOT Park a été
utilisé en dernier lieu sont détectées. Si
la commande de clignotant est
actionnée à cette étape, les espaces
de stationnement situés de ce côté du
véhicule seront détectés.
Pour activer/désactiver les types de
places de stationnement :
→ Réglages station → Type de
station.
→ Arrière (perpendic/parallèle)
Sur le Nissan Ariya, les différentes méthodes de stationnement disponibles
avec le système ProPILOT Park peuvent être sélectionnées en effleurant l’icône
dédiée à la sélection de méthode. Seules les méthodes activées sont accessibles
; les options désactivées ne peuvent pas être sélectionnées via cette icône tant
qu’elles ne sont pas réactivées dans les paramètres du système.
AVERTISSEMENT
LIMITATIONS de ProPILOT Park
De nombreux facteurs peuvent
impacter les performances de ProPILOT
Park, faisant que le système ne
fonctionne pas comme attendu. Pro-
PILOT Park ne doit pas être utilisé
dans certaines situations. Cela inclut
(mais sans s'y limiter) :
REMARQUE:
Si des limitations sont envisagées, que
toutes les conditions sont remplies et
que ProPILOT Park ne fonctionne toujours
pas correctement, nous vous
recommandons de vous rendre chez un
concessionnaire NISSAN certifié ARIYA.
Le système ProPILOT Park du Nissan Ariya s’appuie sur les
fonctionnalités de l’écran de visualisation du périmètre intelligent (Around
View Monitor) ainsi que sur les capteurs du système de sonar. Il est essentiel
de bien comprendre les limitations spécifiques de chacun de ces systèmes afin
d’assurer un fonctionnement sûr et efficace lors des manœuvres de stationnement
assisté.
Dysfonctionnements du système
ProPILOT Park
En cas d'anomalie du système, un message
d'avertissement s'affiche sur l'écran,
l'icône de commande du système ProPILOT
Park devient orange et le système
ProPILOT Park est automatiquement
désactivé. Si un avertissement s'affiche
pendant l'utilisation du système, arrêtez
le véhicule dans un endroit sûr et placez
le bouton de démarrage sur OFF puis à
nouveau sur ON. S'il n'est pas possible
d'activer le système ProPILOT Park après
avoir effectué les étapes ci-dessus, il est
possible que le système présente un dysfonctionnement.
Ceci n'empêche en
aucun cas la conduite normale du véhicule.
Toutefois, le système doit être inspecté
par un réparateur compétent, tel
qu'un concessionnaire NISSAN certifié
ARIYA.